全國服務熱線:400-7362-588
產品與解決方案
GWJ系列無功功率補償柜
- 詳細描述
- 原理及特性
- 型號定義及選型說明
- 一次方案
使用范圍
GWJ系列無功功率補償柜適用交流頻率50Hz,額定電壓10kV母線及以下配電系統進行功率因數補償,也適用于異步電動機的就地功率因數補償,達到功率因數自動調整,減少無功損耗,穩定電網電壓,減小電網奇次諧波,提高供電質量。
廣泛應用于電力、機械制造、汽車、冶金、煤礦、化工、油田、電氣化鐵路等行業交流電力系統。
-
工作原理及特點
在感性電路中,電流矢量滯后電壓矢量90°,而在容性電路中,電流矢量超前電壓矢量90°,所以在以感性負載為主的電路中并聯電容器,其電流矢量方向相反,無功分量能相互抵消,從而提高局部電網的功率因數,達到節能和提高電網質量的目的。
GWJ-J系列采用接觸器分組投切方式,根據功率因數高低自動控制電容器投切,使功率因數達到設定要求;
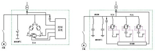
GWJ-D系列動態無功補償裝置有TCR+TSC方式,也可單獨TCR形式和單獨TSC方式,TCR+TSC方式主要由相控電抗器、濾波器組和控制系統組成。
1.無涌流:由控制器選擇電壓過零的時刻發出脈沖信號,晶閘管閥組在電壓過零的時刻導通,電容器電壓由零開始,不過渡過程,不會產生涌流,并能在方均根值不超過1.0×1.30In的電流下連續運行。
2.無過電壓:電容器組的關斷基于晶閘管反向阻斷電流過零自然關斷,不會產生常規短路器和接觸器固有的切除載流過電壓,裝置的連續運行電壓為1.05Un,且能在下表所規定的穩態過電壓下運行相應的時間。
3.適應能力強:實行三相或分相動態補償,適用于不對稱負載或者沖擊性負載。
4.動態反應速度快:控制器實施跟蹤測量負荷的功率因數,與預先設定的給定值進行比較,動態控制投切不同組數的電容器(動態響應時間小于15ms),以保證功率因數始終達到設定要求。
5.系統抗干擾能力強:采用光電觸發方式,保證了高低壓電路的有效隔離,抗干擾能力強,觸發同步性好,運行安全可靠。
6.使用壽命長:晶閘管開關由于其不存在機械動作,可以長期使用,使用壽命不低于25年,一般更長。接觸器投切電容器組容易燒損合閘線圈、分閘線圈,需要不時更換。
7.免維護:晶閘管開關無油、無氣、無易損部件,可以長期使用免維護,對于重污穢地區可能需要定期打掃衛生。
8.補償效果好:能夠實時動態的補償無功,抑制諧波,抑制電壓閃變,降低網損和變壓器損耗,增加變壓器帶載容量。
-
產品規格
-
一次方案

分享